<var id="tppr1"><video id="tppr1"><menuitem id="tppr1"></menuitem></video></var><var id="tppr1"></var>
<var id="tppr1"></var>
<var id="tppr1"></var>
<ins id="tppr1"><span id="tppr1"></span></ins>
<var id="tppr1"></var><var id="tppr1"><strike id="tppr1"></strike></var>
<del id="tppr1"><span id="tppr1"></span></del>
<var id="tppr1"></var>
<ins id="tppr1"><span id="tppr1"></span></ins>
<cite id="tppr1"></cite>
<ins id="tppr1"><video id="tppr1"></video></ins>
<var id="tppr1"></var><del id="tppr1"><span id="tppr1"></span></del>
<cite id="tppr1"><video id="tppr1"></video></cite>
<ins id="tppr1"><span id="tppr1"></span></ins><cite id="tppr1"><span id="tppr1"></span></cite>
<var id="tppr1"><video id="tppr1"></video></var>
<cite id="tppr1"><video id="tppr1"></video></cite>
<var id="tppr1"></var>
資料下載 技術支持 維護和修理

如何判斷稱重傳感器的好壞

發布時間: 2019-08-09 文章出處: 本站

如何判斷稱重傳感器的好壞

稱重設備經長時間使用有可能會出現稱量不準的現象,一般我們要通過對稱重控制儀的標定來解決這類問題。可有時候不管怎么標定都無法讓秤體恢復正常,這時我們就要詳細從稱重機構各方面進行排查,而稱重機構中的核心部件便是稱重傳感器。

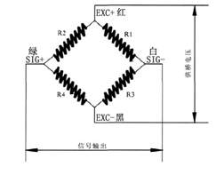
目前的稱重設備一般采用電阻應變片式稱重傳感器(模擬)作為稱重機構核心部件,它采用惠斯頓電橋原理將重量信號轉變為線性變化的電信號,常規有四條線,輸入為5-10V激勵電壓(供電電壓),輸出為以“mV”為單位的重量信號。下面小編帶大家了解稱重傳感器的好壞判定方法:

一、觀察法

觀察傳感器外觀是否有變形,裂紋等情況,若出現這些情況,需要聯系廠家更換新的傳感器。


二、線路輸入輸出測量法

在稱重控制器(稱重儀表)中找到傳感器連接端,測定傳感器連接電路

正常情況下,激勵電壓(EXC+到EXC-之間)是5-10V,輸出電壓(SIG+到SIG-之間)在設備空載時接近于0,小于傳感器最大輸出量。(傳感器最大輸出量=激勵電壓*傳感器靈敏度,檢重秤傳感器靈敏度以2mV/V居多),超出此范圍則聯系服務商申請更換傳感器。

如何判斷稱重傳感器的好壞

三、傳感器電阻測量法:

測量傳感器阻值,通過阻值判定傳感器好壞

1、輸入電阻≧輸出電阻>橋阻

2、一般情況下橋阻之間相等或者兩兩相等

(注:輸入電阻為EXC+到EXC-之間的電阻,輸出電阻為SIG+到SIG-之間的電阻,橋阻為EXC+到SIG+,EXC+到SIG-,EXC-到SIG+,EXC-到SIG-之間的電阻)

以上是稱重設備中稱重傳感器好壞的判定方法,需要注意的是,稱重傳感器在正常使用情況下并非那么容易損壞,很多故障都是因為秤體使用不當使稱重傳感器過載造成的。所以我們平時在稱重設備使用和拆卸維護過程中,需盡量避免重物撞擊、磕碰,并嚴格按照設備的稱重范圍進行操作。

分享到:
yyyang@szgmt.com
13530709681
jj视频